电话

您的位置:首页 > 产品中心 > 流量计 > MFR齿轮流量计

MFR05G-1/2

所属类别:MFR齿轮流量计

型       号:MFR05G-1/2

流量范围:10L/M

耐       压:

在线留言唐先生:18934579257

  • 产品描述
  • 产品参数
  • 实物图
  • 产品参数

    介质:适合液体,高粘度介质(例如:水,油,胶水,汽油,航空煤油,微酸,微碱等)

    精度:高达+/-0.1%

    线性:实际流量的+2.5%(粘度>5mm2/s)

    温度:-40℃-150℃

    供电:4~26VDC供电

    不锈钢系列材质

    外壳:DIN Nr.1.4404(316L)

    齿轮:DIN W.Nr.1.4462(2205)

    轴承:不锈钢滚珠轴承/氧化锆/碳化钨套筒轴承

    密封:FKM

    应用场合

    适合于重油、聚乙烯醇、树脂等粘度较高介质的流量测量。

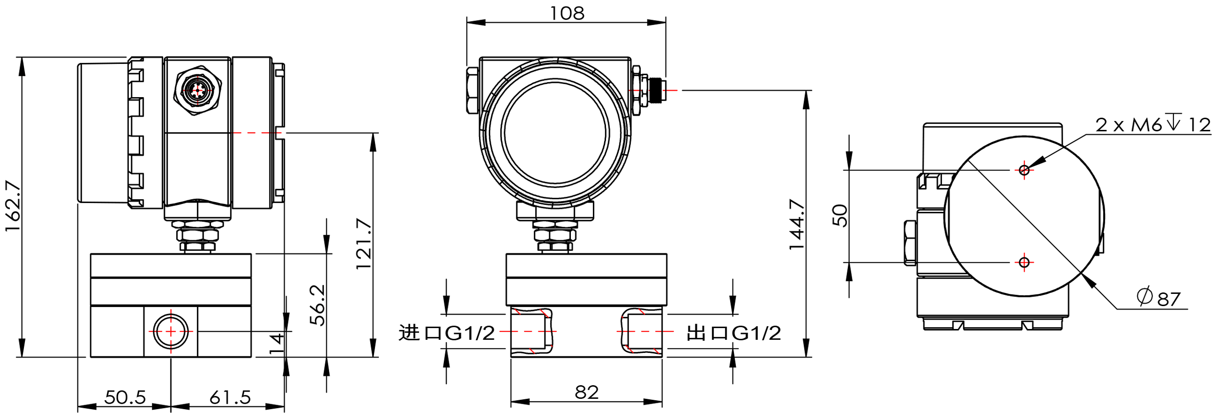
  • MFR05G-1

    流量大小:10L/min

    脉冲当量:0.84P

    防爆表头尺寸图

    图纸_11.gif

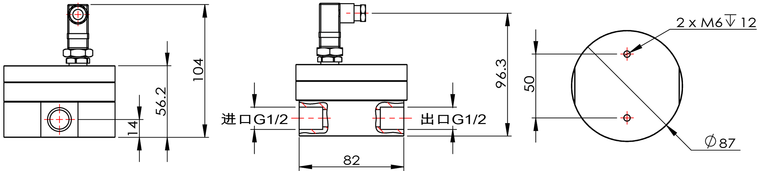
    MFR05G-2

    流量大小:10L/min

    脉冲当量:0.84P

    赫斯曼接头尺寸图

    图纸_12.gif