电话
所属类别:IG磁力齿轮泵
型 号:IG
流量范围:0.021-5.04L/min
耐 压:-
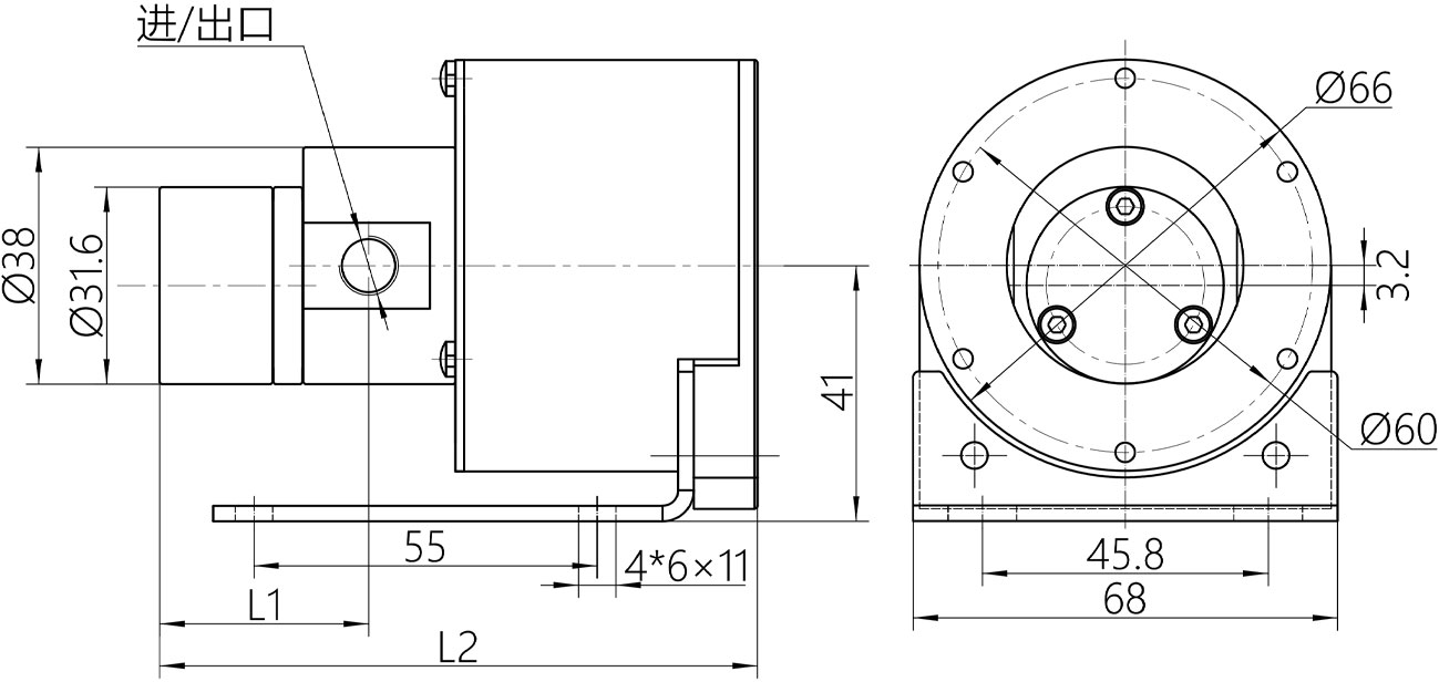
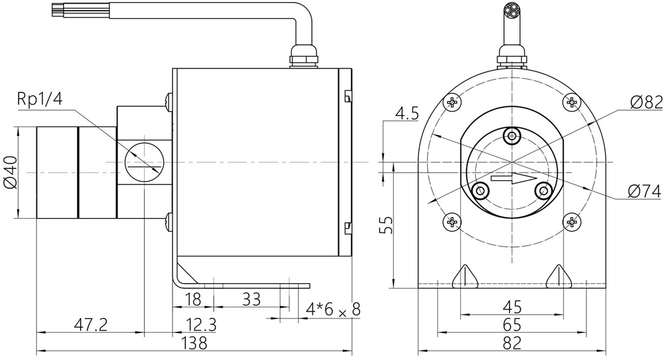
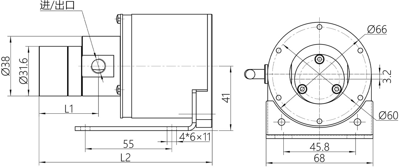
泵体材质采用食品级316L,齿轮及轴套材质为改性高强度PEEK,可以为任何高精密应用提供无与伦比的泵送性能。通过精密的齿轮来提供平稳、无脉动的流体输送,高扭矩的电磁驱动器,在低速下仍可实现快速响应,优化的型腔设计泵于大尺寸范围的进口和出口情况运作,性能优异。采用化学兼容性广泛的材料,可耐受大部分腐蚀性液体。
无泄漏;低噪音;使用寿命长;耐腐蚀;出口压力稳定;无脉动;结构简单;维护方便;泵头与电机采用一体式设计,体积小,适合安装在空间有限的箱体。
航天航空器、化学化工行业(如试剂、药剂、胶片制造、制药设备等)、各类激光设备仪器的微型冷却装置,喷绘及喷码机制造、咖啡机萃取、高性能彩色印刷设备、充电桩液冷系统、分子蒸馏设备、甲醇制氢设备、尾气处理系统等。
泵的安装
泵的安装位置应尽可能的接近介质源容器。出入口管线直径尺寸不能小于泵接口尺寸,应尽量缩短长度。如因布局及安装现场空间限制等原因需加长入口管线,应加大入口管径并尽可能减少泵入口的阀门及弯管数量。
管道安装
管路安装时:1.与泵体进出口尽量对齐,有条件可于适当位置增加管道支撑;2.避免管道的偏心扭矩和重量直接作用在泵上,否则有可能影响泵体的密封,长期受外力影响易导致泵体损坏漏液。
安装示意

过滤器
泵的入口应安装25um 或精度更高的过滤器(建议 400 目或以上精度),如泵体工作于一个闭路循环系统中,也可以将过滤器安装在泵的出口。过滤器标称流量建议大于泵最大流量1.5倍以保证介质的过流面积,减少过滤器对管道的流动阻力的影响。
使用压力
建议在泵所能承受的压力范围下使用。1.系统压力过大会影响泵体的密封效果;2.进出口压差过大会导致磁性联轴器内外磁发生滑移。使用过程中压力波动过大也容易导致磁性联轴器产生滑移现象。
自吸
齿轮泵具有较强的自吸功能,但在启动前确认齿轮被泵送的介质润湿过。
干转/反转
长时间的超速干转会导致泵的永久损坏,请确认泵在运转时泵腔内有介质或至少被润湿过。泵应该顺时针旋转。短时间的反转是可以接受的,但长时间连续的反转会缩短泵的寿命。
